13/12/2008

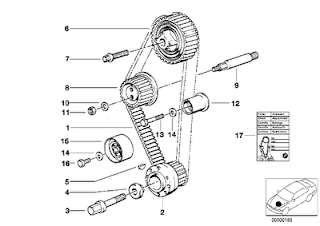
correia de distribuição

O motor M40 era o motor 1.6 litros que equipava o E30 e o E36, o série 3 sucessor, no seu início de carreira.
Este motor é uma derivação directa do v12 que equipava o série 7 dos finais da década de 80, e, provavelmente por não ser um projecto de um motor de 4 cilindros de raiz, o M40 padece de alguma atenção no que toca à correia de distribuição, a qual deve ser mudada todos os 40.000 km ou 4 anos, um espaço bem mais curto do que é "normal", mas que era o recomendado pela marca.
Totalizando 92.616 km no conta-quilómetros, e tendo o E30 a bonita idade de 20 anos, certamente que a correia de distribuição estaria fora de qualquer parâmetro de segurança. Como tal a correia tinha de ser mesmo trocada, tarefa para demorar duas horas, e que eu não me arrisco a fazer por receio de fazer asneira.
O autocolante no livro de manutenção revelava que a última troca havia sido realizada há 46.274 km e em 20/12/1996... durou 3 vezes mais!
50 euros pela correia e duas horas de mão-de-obra, compensa bem não arriscar!

Sem comentários: